
--------
"2024年新規特許出願中"
近来の関心事である環境問題。その環境問題の要因と言える大気汚染、水質汚染、土壌汚染が、配管からの内部流体漏洩により起こりうることは、大きな課題と言われています。
グリーンカバーは、これまでの二重配管に代わり、それらの課題を解決すべく開発した製品です。
その主な特徴は以下のとおりです。
- ① 新設・既設問わず、どのような配管へも取付可能な利便性
- ② ジッパー機構採用による取付容易性
- ③ 透明フィルム採用による漏洩状態が確認可能な簡便性
- ④ 取付部材を使用すれば、内部流体漏洩防止が可能な確実性
これらは二重配管対応及び類似品(飛散防止カバー)には見られない特徴です。
更に、グリーンカバーType"A"は強酸・アルカリ・その他溶剤にも耐えるフッ素樹脂フィルム製の採用で耐侯性にも優れ、多種多様な場面でご使用いただけます。
グリーンカバーの使用場所
- 化学薬品製造工場、半導体装置工場、製油所、火力発電所、原子力発電所および関連設備、ディスプレイ製造工場
- 配管設備からの流体(薬品、油、純水、超純水など)の漏洩、飛散を防ぎ、大気汚染、水質汚濁を減少させることが目的です。
- 新設の配管設備に限らず、既設配管工場汚染の管、管継ぎ手(フランジ、エルボ、チーズ、ソケット等)又、付属部品類(バルブフレキ、計器類など)に多く使用されています。
- 屋外に設置される配管設備の雨水侵入防止、塩害防止、地上・地下ピット内配管の漏洩防止にも使用されています。
主な特長
- グリーンカバーは耐候性、耐薬品性を有する透明樹脂フィルムに同材質のジッパーを溶着した構造で、大部分の配管部品に適応する形状にて製作可能です。
- カバーにはジッパーが付けられており、既設配管にも簡単に取付けることができ、柔軟で薄いフィルム製なので場所を選ばず取付け可能です。
- パッキンなどの取付用部材を使用すれば、屋外使用でも雨水の侵入を防ぎ、縦配管に使用の場合でも漏洩、飛散を防ぐことができます。
(ジッパー部を接着剤で充分にシールする必要があります。) - カバーは外的要因を除き5年以上の使用に耐え(材質劣化、変色など)特にType "A" はフッ素樹脂フィルム製なので、屋外使用でも10年以上の実績が多くあります。
- 使用温度範囲はType"A" -50℃~+150℃、 Type "B" PEシート-30℃~+60℃です。
カバー材質が柔らかいフィルム製で、温度差に基く配管の熱伸縮による機器破損などの心配はありません。 - 耐圧は1000mmAq~2000mmAq程度の突出圧力には耐えられますが、徐々に漏れる内圧には400mmAq~600mmAq程度の耐圧とお考えください。
- グリーンカバーは特別な工具や経験が無くても容易に取付け、取外しが可能です。
- ドレン抜き用アダプター(ラブコック、ドレンホース取付)の取付も可能です。
取付例
- フランジ用

- バルブ用

- ドレーン抜き付

- エルボ用

- ソケット接続 エルボ用

- フランジ接続 エルボ用

- ソケット接続 チーズ用

- フランジ接続 チーズ用

カバーの形状と寸法
カバーの製作寸法は配管径 15A(1/2")~300A(12")までを標準寸法としますが、大口径または小口径配管用についても製作可能なのでご相談ください。
カバー形状は標準形状(参考図参照)の様な種々の標準配管部品は勿論、複雑な形状または用途に合わせた形状も製作可能なのでご相談ください。
大型、複雑な形状、数個の部品を纏めて被せる場合または、取付けバンドの使用できない形状などのカバーについてもご相談ください。
お見積り時またはご注文時に、配管図機器図面などを必要とする場合がございます。
グリーンカバーの製作形状例
材質の特性
Type "A"(透明フッ素樹脂フイルム製)"セフラルソフト"
Type "B" (透明特殊PEフイルム製)
| 材料の種類 | Type "A" | Type "B" |
|---|---|---|
| 材料名 | セフラルソフト | PEシート |
| 外観 | 透明 | 透明 |
| 厚みmm | 0.15又は0.3 | 0.3 |
| 比重 | 1.78 | 0.90~0.95 |
| 引張強さkgf/cm2 | 230~315 | |
| 伸び% | 480~500 | |
| 引裂強さkgf/cm | 110~120 | |
| 酸素透過係数c.c.・mm/m2・24h、atm | 27 | |
| 酸素指数 | 54 | |
| 融点℃ | 162~165 | 80~120 |
| 熱分解温度℃ | 380 | |
| 高温使用限界℃ | 120 ~150 | 60~70 |
| 低温使用限界(脆化温度)℃ | -55 | -30~-15 |
耐候性
Type "A"
| 時間 | 引張強さ残率 | 破断伸び残率 | 100%モジュラス残率 |
|---|---|---|---|
| 1000Hr | 96% | 102% | 99% |
| 2000Hr | 96% | 104% | 102% |
| 5000Hr | 90% | 98% | 103% |
(サンシャインカーボンウェザーメーターにて促進暴露)
※参考:300時間が屋外暴露約1年間に相当すると言われています。
Type "B"
直接屋外暴露法を参考にした、暴露試験の結果、屋外での使用期間は1~2年程度と考えます。
耐薬品性(参考)
| 薬品名 | Type "A" | Type "B" |
|---|---|---|
| 塩酸 35% | ◎ | 22%○ |
| 硫酸 97% | ◎ | 98%△ |
| 硝酸 70% | ◎ | 95%△ |
| リン酸 | ◎ | 30%◎ |
| フッ酸 50% | ◎ | 50%◎ |
| 次亜塩素酸ナトリウム 10% | ◎ | ○ |
| アンモニア水 30% | △ | ○ |
| エタノール | ◎ | 40%○ |
| トルエン | △ | × |
| メチルエチルケトン | × | × |
| 氷酢酸 | × | × |
| n-ヘキサン | ◎ |
重量増加率(室温にて浸漬)
◎:5%未満 ○:5~10% △:10~20% ×:20%以上
グリーンカバーの標準口径寸法
| 呼び径(A) | 15A | 20A | 25A | 32A | 40A | 50A | 65A | 80A | 100A | 125A | 150A | 200A | 250A | 300A |
|---|---|---|---|---|---|---|---|---|---|---|---|---|---|---|
| 呼び径(B)吋 | 1/2 | 3/4 | 1 | 1-1/4 | 1-1/2 | 2 | 2-1/2 | 3 | 4 | 5 | 6 | 8 | 10 | 12 |
| 鋼管径(O)mm | 21.7 | 27.2 | 34.0 | 42.7 | 48.6 | 60.5 | 76.3 | 89.1 | 114.3 | 139.8 | 165.2 | 216.3 | 267.4 | 318.5 |
| カバー口径(O)mm | 38 | 38 | 45 | 53 | 60 | 75 | 87 | 100 | 125 | 151 | 176 | 227 | 279 | 330 |
グリーンカバーの取付用部材
カバー取付け時、下記の部材を使用することにより、カバー内部からの漏洩、外部からの雨水の侵入等を防止ぐことができます。
取付用部材の必要量は、カバーの形状、サイズ、数量により異なる為、カバー仕様を元に、標準的な数量を弊社が計算して提示いたします。
取付用部材
| Code No. | 品 名 | 寸法と単位 |
|---|---|---|
| PSS-2355 | シリコンスポンジ パッキング | t2.0 ×35w×5M/1巻き |
| TTG-2510 | テフロン 粘着テープ | t0.08×25w×10M/1巻き |
| GSS-135 | シリコン接着剤 | 135ml/1本 チューブ入り |
| SUSバンド | 全ステンレス製ネジバンド | 配管径に対応した各種サイズ |

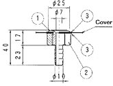
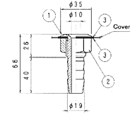
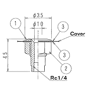
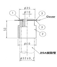
グリーンカバー用ドレン抜きアダプター詳細(単位mm)
- DH-8

- DH-18

- DL1/4

- DL-H12

- DL25A

①アダプター ②ナット ③パッキン
グリーンカバーのお見積・ご注文方法
ご注文に際しては、以下の詳細をお知らせ下さい。
配管の接続仕様(フランジ、突合溶接、差込ソケット、ねじ込みソケット、フェルールクランプ等)
配管仕様、材質(金属、樹脂、ライニング管等:配管外径)
保温が有る場合は保温材の厚み、又は保温部の外形
バルブ、フレキホース等カバーの場合、バルブ、フレキホースの図面(接続仕様、面間、カバー範囲)
取付用部材(オプション)の要否。必要な場合は、カバー仕様を元に、標準的な数量を弊社が計算しお見積りいたします。)
カバー取付け箇所が多く有る場合、配管図等資料とカバー必要個所をご指示いただければお見積もりを致します。
カバー材質Type "A" またはType "B" は、使用場所、使用流体等をご考慮のうえお選びください。
グリーンカバーお見積・ご注文のご依頼は以下をクリックして、仕様確認書をダウンロードいただき、
必要事項ご記入後Fax:03-3256-7827又はE-mail:info@green-tnj.co.jpまでお送りください。
※左記をクリックし
同書類をダウンロード






